加入購物車成功!
介紹:
※產品描述
SWZ-2088智能壓力變送器由316L隔離膜壓力變送器、高性能微處理器、集成放大線路、高穩定恒流源組成,對傳感器非線性、溫度漂移進行修正補償,通過手操器在線調整變送器參數,實現準確的數字/數據傳輸、現場設備診斷、遠程雙向通訊等,具有精度高、穩定性好、操作方便等優點
※技術參數
| 量程范圍 | -0.1...0~0.01...~100MPa |
| 允許過載 | 小于等于額定量程的1.5倍或110MPa(取小值) |
| 壓力類型 | 表壓、J壓、密封參考壓型 |
| 準確度 | ±0.1% ±0.25%(典型) |
| 長期穩定性 | ±0.5%F.S/年 |
| 零點溫度漂移 | ±0.03%F.S/℃(≤100KPa) ±0.02%F.S/℃(>100KPa) |
| 滿度溫度漂移 | ±0.03%F.S/℃(≤100KPa) ±0.02%F.S/℃(>100KPa) |
| 工作溫度 | -20℃~80℃ |
| 貯存溫度 | -40℃~120℃ |
| 供電電源 | 24VDC(15~30)VDC |
| 輸出信號 | 模擬量:4~20mA 0~10mA 1~5VDC 0~5VDC |
| 數字量:HART通訊協議或RS485通訊協議數字信號傳輸 | |
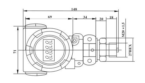
| 壓力接口 | M20×1.5 G1/2或用戶自選 |
| 顯示范圍 | -1999~9999 |
| 安裝方式 | 垂直軸向安裝 |
| 外殼材質 | 不銹鋼1Cr18Ni9Ti |
| 膜片材質 | 316L |
| O型密封圈 | 氟橡膠 |
| 電纜 | 聚乙烯 |
| J緣電阻 | 100MΩ 100VDC |
| 外殼防護等J | IP65 |
※尺寸







